
- 联系人:闻 海
- 手机:198 2595 0789
- 电话:0515-82533666
- 地址:江苏省盐城市射阳县通洋工业集中区
绿宝石主编、福万家参编的《石墨改性水泥基保温板(碳硅板)外墙内保温系统建筑构造》标准现已发布实施!
行业标准的制定工作,是行业发展中的探索和创新,是市场发展的需要,对行业的发展具有非常重要的指导促进作用。
2021年3月2日,由上海市建设协会提交的《石墨改性水泥基保温板(碳硅板)外墙内保温系统建筑构造》,编号为T/SCDA061-2021,经审查正式批准发布,并于2021年3月3日起正式执行,有效期3年。

绿宝石和福万家分别作为标准的主编单位和参编单位积极利用自身的行业经验和技术优势,全程参与了标准的编制工作。



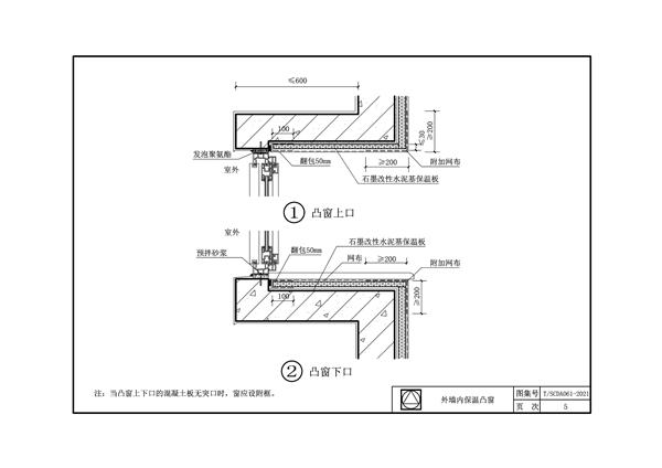
石墨改性水泥基保温板(“碳硅板”)是以水泥为主要胶凝材料,成孔材料、纤维增强材料、外加剂、水等为主要材料,经搅拌、浇筑成型、养护、切割、表面处理等工艺制成,外观呈黑色的轻质保温板材。
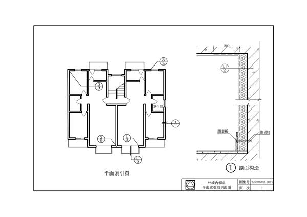
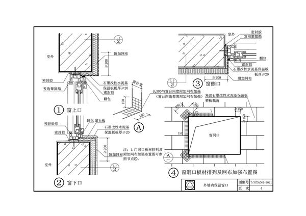
石墨改性水泥基保温板(碳硅板)外墙内保温系统建筑构造(简称“内保温系统”)是以石墨改性水泥基保温板(碳硅板)为保温层材料,由粘结层(胶粘剂)、保温层、抹面层(抹面砂浆+耐碱涂覆网布)、锚栓组成,固定在外墙内侧的保温构造。




















作为建筑外墙保温产业中的优质企业,福万家和绿宝石坚持自主创新的发展模式,积极探索。多年的行业深耕使福万家和绿宝石拥有雄厚的技术实力和丰富的实际生产经验,在本次标准的编制工作中,福万家和绿宝石依据行业发展现状,结合企业项目经验与核心技术,为新标准的编制献计献策。
未来,福万家和绿宝石将继续在专业的领域上执着坚守,持续技术创新和新品研发,积极参加相关标准的制修订工作,为推动建筑外墙保温产品行业规范化发展贡献更大的力量。
《石墨改性水泥基保温板(碳硅板)外墙内保温系统建筑构造》标准的发布是行业经验和思想汇聚的一次结晶,为行业更好的发展提供了标准和依据,有效的促进优质高质项目的产出,促进了行业良性健康的发展。











